OEM ЗАПЧАСТИ

  info@automotohub.ru   8 (916) 294-84-77
  О Компании   Оплата и Доставка   Помощь   Обратная связь

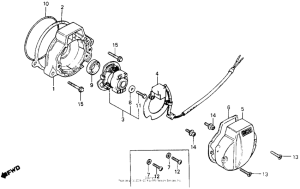
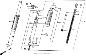
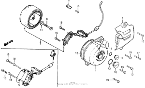
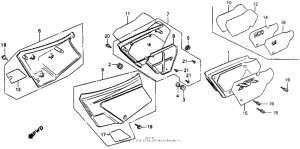
Запчасти для мотоциклов Honda XR200

Год: 1981  •  Код модели: XR200 A  •  Объем двигателя: 200
Запчасти для мотоциклов Honda XR200
{modalWnd}