OEM ЗАПЧАСТИ

  info@automotohub.ru   8 (916) 294-84-77
  О Компании   Оплата и Доставка   Помощь   Обратная связь

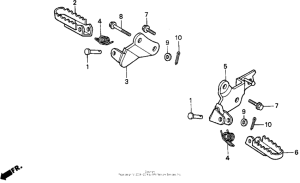
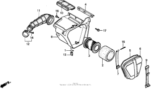
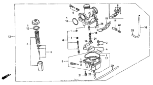
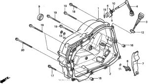
Запчасти для мотоциклов Honda XR100

Год: 1999  •  Код модели: XR100R A  •  Объем двигателя: 100
Запчасти для мотоциклов Honda XR100
{modalWnd}