OEM ЗАПЧАСТИ

  info@automotohub.ru   8 (916) 294-84-77
  О Компании   Оплата и Доставка   Помощь   Обратная связь

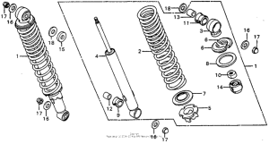
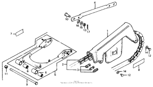
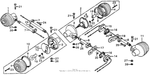
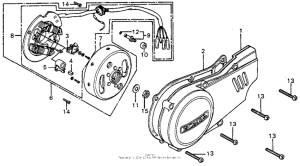
Запчасти для мотоциклов Honda XL75

Год: 1978  •  Код модели: XL75 A  •  Объем двигателя: 75
Запчасти для мотоциклов Honda XL75
{modalWnd}