OEM ЗАПЧАСТИ

  info@automotohub.ru   8 (916) 294-84-77
  О Компании   Оплата и Доставка   Помощь   Обратная связь

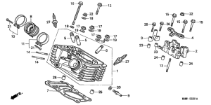
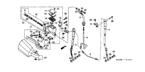
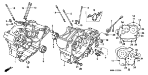
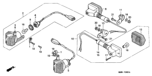
Запчасти для мотоциклов Honda XL600V Transalp

Год: 1998  •  Код модели: XL600VW  •  Объем двигателя: 600
Запчасти для мотоциклов Honda XL600V Transalp
Выбирайте узел вашей техники:


{modalWnd}