OEM ЗАПЧАСТИ

  info@automotohub.ru   8 (916) 294-84-77
  О Компании   Оплата и Доставка   Помощь   Обратная связь

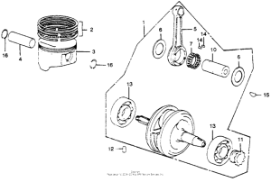
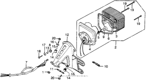
Запчасти для мотоциклов Honda XL350

Год: 1976  •  Код модели: XL350 A  •  Объем двигателя: 350
Запчасти для мотоциклов Honda XL350
{modalWnd}