OEM ЗАПЧАСТИ

  info@automotohub.ru   8 (916) 294-84-77
  О Компании   Оплата и Доставка   Помощь   Обратная связь

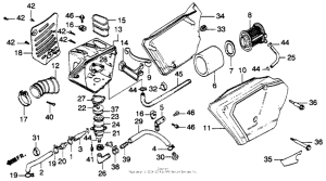
Запчасти для мотоциклов Honda XL250S

Год: 1978  •  Код модели: XL250S A  •  Объем двигателя: 250
Запчасти для мотоциклов Honda XL250S
{modalWnd}