OEM ЗАПЧАСТИ

  info@automotohub.ru   8 (916) 294-84-77
  О Компании   Оплата и Доставка   Помощь   Обратная связь

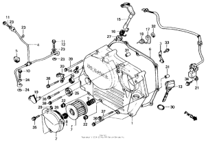
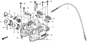
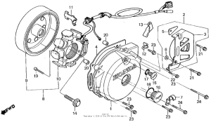
Запчасти для мотоциклов Honda XL250R

Год: 1985  •  Код модели: XL250R AC  •  Объем двигателя: 250
Запчасти для мотоциклов Honda XL250R
{modalWnd}