OEM ЗАПЧАСТИ

  info@automotohub.ru   8 (916) 294-84-77
  О Компании   Оплата и Доставка   Помощь   Обратная связь

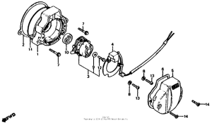
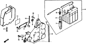
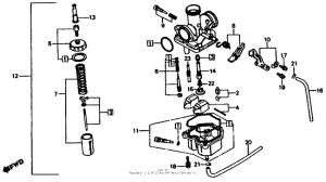
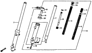
Запчасти для мотоциклов Honda XL185

Год: 1980  •  Код модели: XL185S A  •  Объем двигателя: 185
Запчасти для мотоциклов Honda XL185
{modalWnd}