OEM ЗАПЧАСТИ

  info@automotohub.ru   8 (916) 294-84-77
  О Компании   Оплата и Доставка   Помощь   Обратная связь

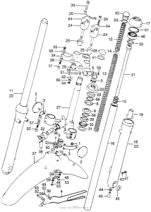
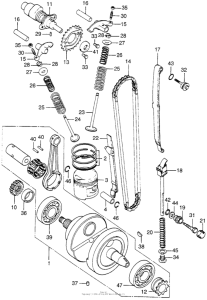
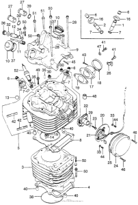
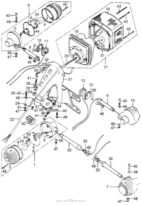
Запчасти для мотоциклов Honda XL175

  •  Код модели: XL175 A  •  Объем двигателя: 175
Запчасти для мотоциклов Honda XL175
{modalWnd}