OEM ЗАПЧАСТИ

  info@automotohub.ru   8 (916) 294-84-77
  О Компании   Оплата и Доставка   Помощь   Обратная связь

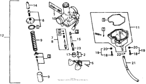
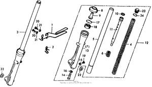
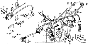
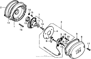
Запчасти для мотоциклов Honda XL125

Год: 1978  •  Код модели: XL125 A  •  Объем двигателя: 125
Запчасти для мотоциклов Honda XL125
{modalWnd}