OEM ЗАПЧАСТИ

  info@automotohub.ru   8 (916) 294-84-77
  О Компании   Оплата и Доставка   Помощь   Обратная связь

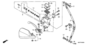
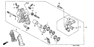
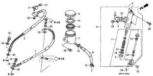
Запчасти для мотоциклов Honda XL1000V Varadero

Год: 2008  •  Код модели: XL1000V8  •  Объем двигателя: 1000
Запчасти для мотоциклов Honda XL1000V Varadero
Выбирайте узел вашей техники:


{modalWnd}