OEM ЗАПЧАСТИ

  info@automotohub.ru   8 (916) 294-84-77
  О Компании   Оплата и Доставка   Помощь   Обратная связь

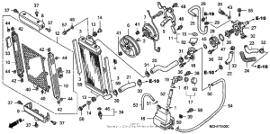
Запчасти для мотоциклов Honda VTX1800C

Год: 2002  •  Код модели: VTX1800C AC  •  Объем двигателя: 1800
Запчасти для мотоциклов Honda VTX1800C
Выбирайте узел вашей техники:


{modalWnd}