OEM ЗАПЧАСТИ

  info@automotohub.ru   8 (916) 294-84-77
  О Компании   Оплата и Доставка   Помощь   Обратная связь

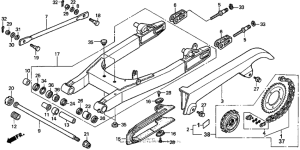
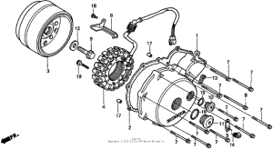
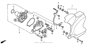
Запчасти для мотоциклов Honda VT750C Shadow A.C.E.

Год: 1998  •  Код модели: VT750C AC  •  Объем двигателя: 750
Запчасти для мотоциклов Honda VT750C Shadow A.C.E.
Выбирайте узел вашей техники:


{modalWnd}