OEM ЗАПЧАСТИ

  info@automotohub.ru   8 (916) 294-84-77
  О Компании   Оплата и Доставка   Помощь   Обратная связь

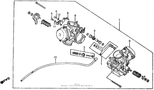
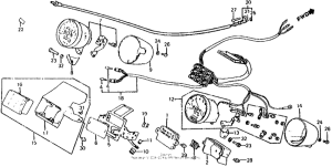
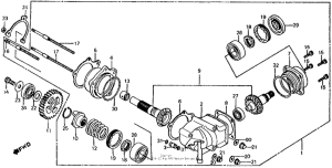
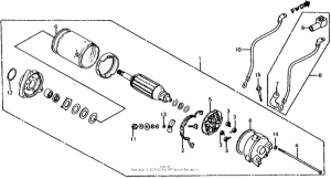
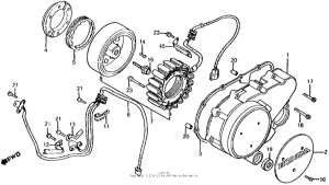
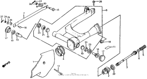
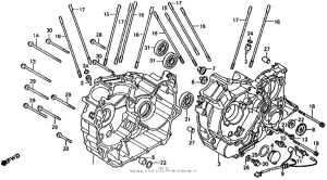
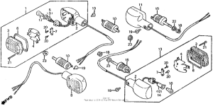
Запчасти для мотоциклов Honda VT750C Shadow

Год: 1983  •  Код модели: VT750C A  •  Объем двигателя: 750
Запчасти для мотоциклов Honda VT750C Shadow
{modalWnd}