OEM ЗАПЧАСТИ

  info@automotohub.ru   8 (916) 294-84-77
  О Компании   Оплата и Доставка   Помощь   Обратная связь

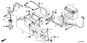
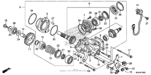
Запчасти для мотоциклов Honda VT750C2B Shadow Phantom

Год: 2013  •  Код модели: VT750C2B AC  •  Объем двигателя: 750
Запчасти для мотоциклов Honda VT750C2B Shadow Phantom
{modalWnd}