OEM ЗАПЧАСТИ

  info@automotohub.ru   8 (916) 294-84-77
  О Компании   Оплата и Доставка   Помощь   Обратная связь

Запчасти для мотоциклов Honda VT750CS (ABS) Shadow Aero

Год: 2014  •  Код модели: VT750CS AC  •  Объем двигателя: 750
Запчасти для мотоциклов Honda VT750CS (ABS) Shadow Aero
Выбирайте узел вашей техники:


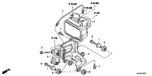
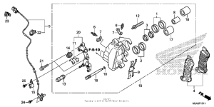
{modalWnd}