OEM ЗАПЧАСТИ

  info@automotohub.ru   8 (916) 294-84-77
  О Компании   Оплата и Доставка   Помощь   Обратная связь

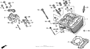
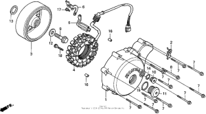
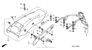
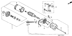
Запчасти для мотоциклов Honda VT600CD2 Shadow VLX Deluxe

Год: 2000  •  Код модели: VT600CD2 A  •  Объем двигателя: 600
Запчасти для мотоциклов Honda VT600CD2 Shadow VLX Deluxe
Выбирайте узел вашей техники:


{modalWnd}