OEM ЗАПЧАСТИ

  info@automotohub.ru   8 (916) 294-84-77
  О Компании   Оплата и Доставка   Помощь   Обратная связь

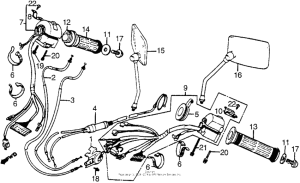
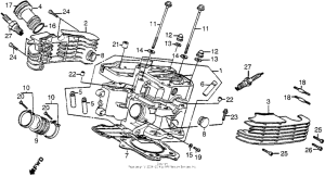
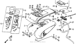
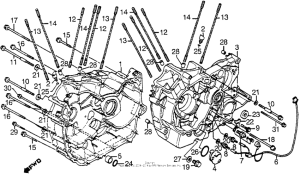
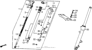
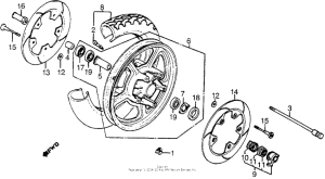
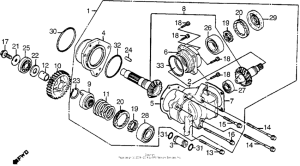
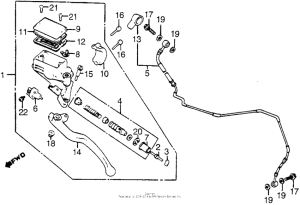
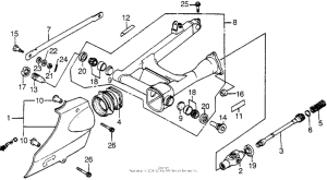
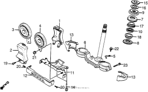
Запчасти для мотоциклов Honda VT1100C Shadow

Год: 1985  •  Код модели: VT1100C A  •  Объем двигателя: 1100
Запчасти для мотоциклов Honda VT1100C Shadow
Выбирайте узел вашей техники:


{modalWnd}