OEM ЗАПЧАСТИ

  info@automotohub.ru   8 (916) 294-84-77
  О Компании   Оплата и Доставка   Помощь   Обратная связь

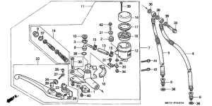
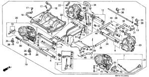
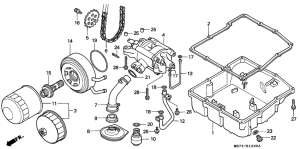
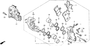
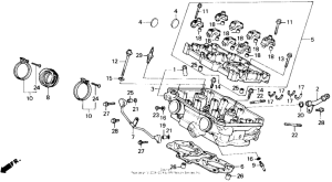
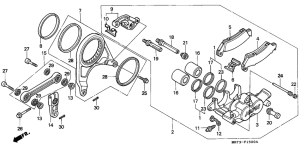
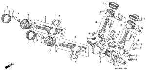
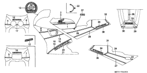
Запчасти для мотоциклов Honda VFR750R VFR750R (RC30)

Год: 1990  •  Код модели: VFR750R AC  •  Объем двигателя: 750
Запчасти для мотоциклов Honda VFR750R VFR750R (RC30)
Выбирайте узел вашей техники:


{modalWnd}