OEM ЗАПЧАСТИ

  info@automotohub.ru   8 (916) 294-84-77
  О Компании   Оплата и Доставка   Помощь   Обратная связь

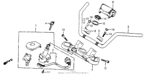
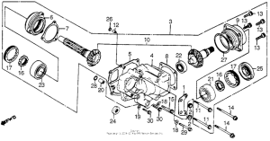
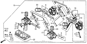
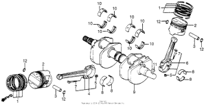
Запчасти для мотоциклов Honda VF750C Magna V45

Год: 1982  •  Код модели: VF750C A  •  Объем двигателя: 750
Запчасти для мотоциклов Honda VF750C Magna V45
Выбирайте узел вашей техники:


{modalWnd}