OEM ЗАПЧАСТИ

  info@automotohub.ru   8 (916) 294-84-77
  О Компании   Оплата и Доставка   Помощь   Обратная связь

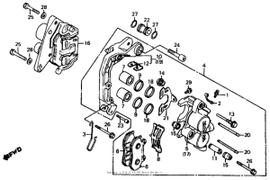
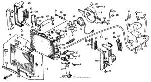
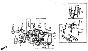
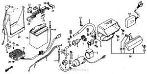
Запчасти для мотоциклов Honda VF700C Magna

Год: 1986  •  Код модели: VF700C AC  •  Объем двигателя: 700
Запчасти для мотоциклов Honda VF700C Magna
{modalWnd}