OEM ЗАПЧАСТИ

  info@automotohub.ru   8 (916) 294-84-77
  О Компании   Оплата и Доставка   Помощь   Обратная связь

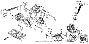
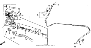
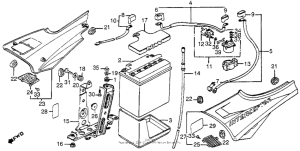
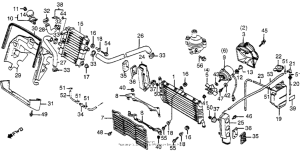
Запчасти для мотоциклов Honda VF1000F Interceptor

Год: 1984  •  Код модели: VF1000F AC  •  Объем двигателя: 1000
Запчасти для мотоциклов Honda VF1000F Interceptor
Выбирайте узел вашей техники:


{modalWnd}