OEM ЗАПЧАСТИ

  info@automotohub.ru   8 (916) 294-84-77
  О Компании   Оплата и Доставка   Помощь   Обратная связь

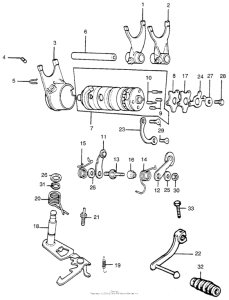
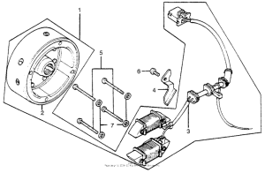
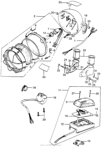
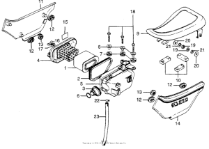
Запчасти для мотоциклов Honda TL250

  •  Код модели: TL250 A  •  Объем двигателя: 250
Запчасти для мотоциклов Honda TL250
{modalWnd}