OEM ЗАПЧАСТИ

  info@automotohub.ru   8 (916) 294-84-77
  О Компании   Оплата и Доставка   Помощь   Обратная связь

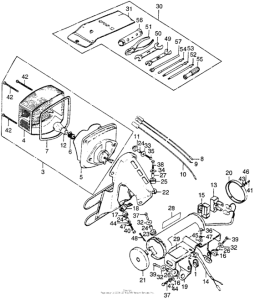
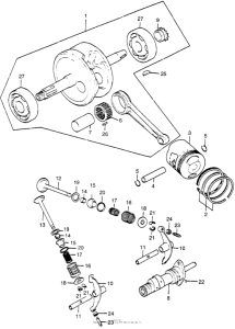
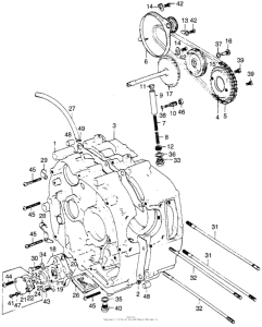
Запчасти для мотоциклов Honda ST90

  •  Код модели: ST90K1 A  •  Объем двигателя: 90
Запчасти для мотоциклов Honda ST90
{modalWnd}