OEM ЗАПЧАСТИ

  info@automotohub.ru   8 (916) 294-84-77
  О Компании   Оплата и Доставка   Помощь   Обратная связь

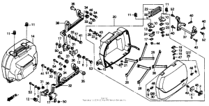
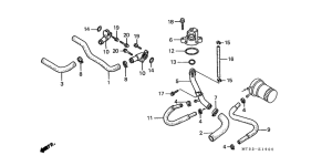
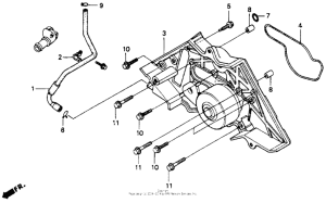
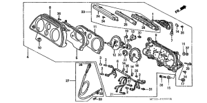
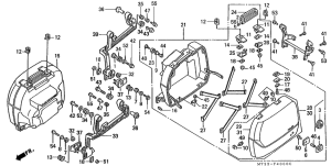
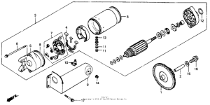
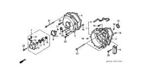
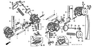
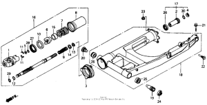
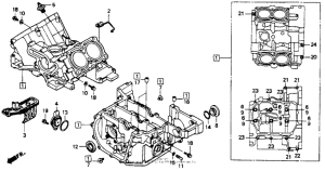
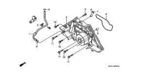
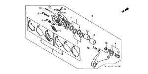
Запчасти для мотоциклов Honda ST1100 Pan-European

Год: 1992  •  Код модели: ST1100 AC  •  Объем двигателя: 1100
Запчасти для мотоциклов Honda ST1100 Pan-European
Выбирайте узел вашей техники:


{modalWnd}