OEM ЗАПЧАСТИ

  info@automotohub.ru   8 (916) 294-84-77
  О Компании   Оплата и Доставка   Помощь   Обратная связь

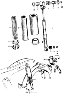
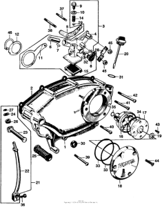
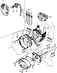
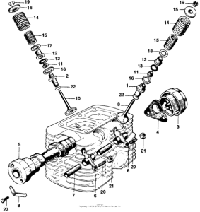
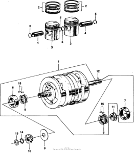
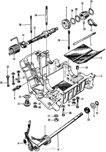
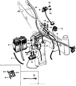
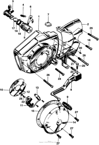
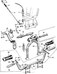
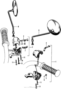
Запчасти для мотоциклов Honda SS125

  •  Код модели: SS125A A  •  Объем двигателя: 125
Запчасти для мотоциклов Honda SS125
{modalWnd}