OEM ЗАПЧАСТИ

  info@automotohub.ru   8 (916) 294-84-77
  О Компании   Оплата и Доставка   Помощь   Обратная связь

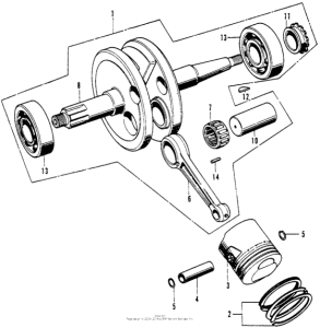
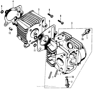
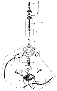
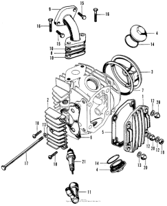
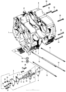
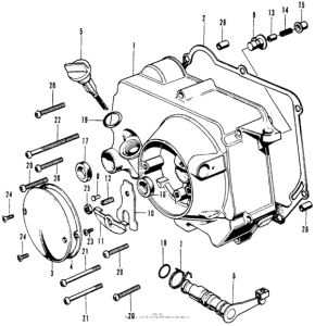
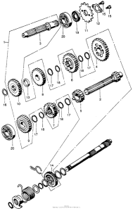
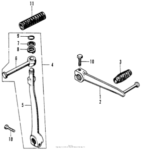
Запчасти для мотоциклов Honda SL70

  •  Код модели: SL70 A  •  Объем двигателя: 70
Запчасти для мотоциклов Honda SL70
{modalWnd}