OEM ЗАПЧАСТИ

  info@automotohub.ru   8 (916) 294-84-77
  О Компании   Оплата и Доставка   Помощь   Обратная связь

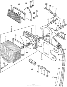
Запчасти для мотоциклов Honda SL350

  •  Код модели: SL350K2 A  •  Объем двигателя: 350
Запчасти для мотоциклов Honda SL350
Выбирайте узел вашей техники:


{modalWnd}