OEM ЗАПЧАСТИ

  info@automotohub.ru   8 (916) 294-84-77
  О Компании   Оплата и Доставка   Помощь   Обратная связь

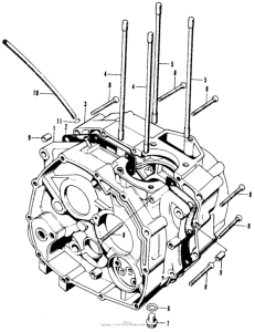
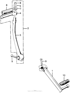
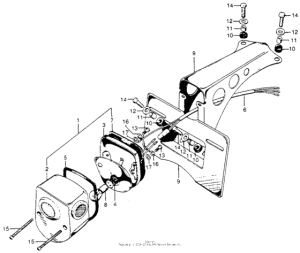
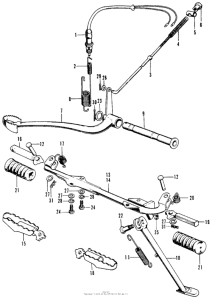
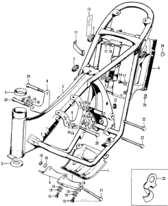
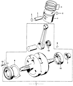
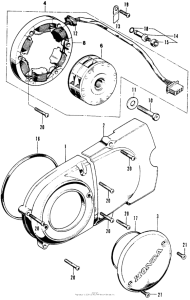
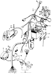
Запчасти для мотоциклов Honda SL100

  •  Код модели: SL100K1 A  •  Объем двигателя: 100
Запчасти для мотоциклов Honda SL100
{modalWnd}