OEM ЗАПЧАСТИ

  info@automotohub.ru   8 (916) 294-84-77
  О Компании   Оплата и Доставка   Помощь   Обратная связь

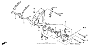
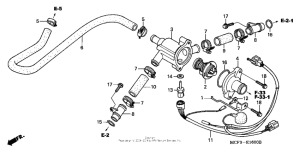
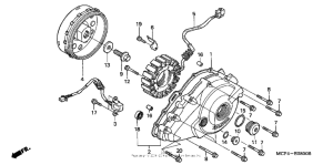
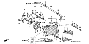
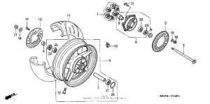
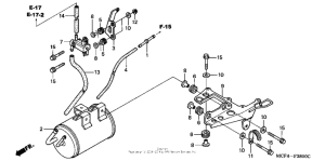
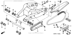
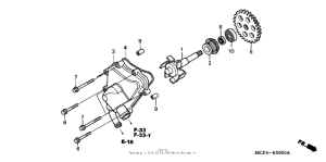
Запчасти для мотоциклов Honda RVT1000R RVT RC51

Год: 2004  •  Код модели: RVT1000R AC  •  Объем двигателя: 1000
Запчасти для мотоциклов Honda RVT1000R RVT RC51
Выбирайте узел вашей техники:


{modalWnd}