OEM ЗАПЧАСТИ

  info@automotohub.ru   8 (916) 294-84-77
  О Компании   Оплата и Доставка   Помощь   Обратная связь

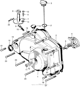
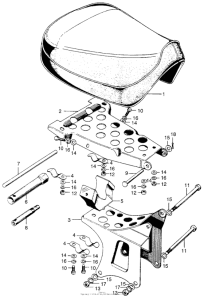
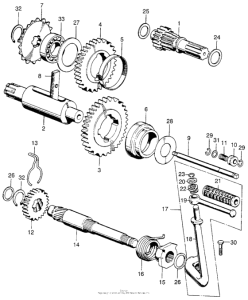
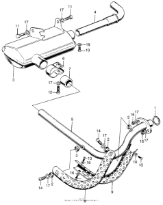
Запчасти для мотоциклов Honda QA50

  •  Код модели: QA50 A  •  Объем двигателя: 50
Запчасти для мотоциклов Honda QA50
{modalWnd}