OEM ЗАПЧАСТИ

  info@automotohub.ru   8 (916) 294-84-77
  О Компании   Оплата и Доставка   Помощь   Обратная связь

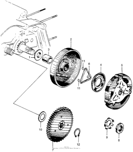
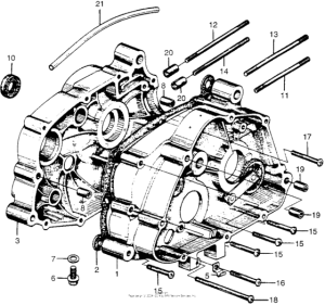
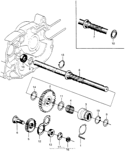
Запчасти для мотоциклов Honda PC50

  •  Код модели: PC50 A  •  Объем двигателя: 50
Запчасти для мотоциклов Honda PC50
{modalWnd}