OEM ЗАПЧАСТИ

  info@automotohub.ru   8 (916) 294-84-77
  О Компании   Оплата и Доставка   Помощь   Обратная связь

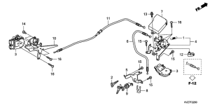
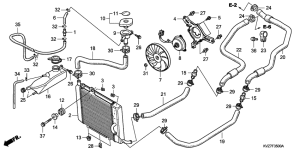
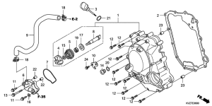
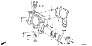
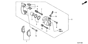
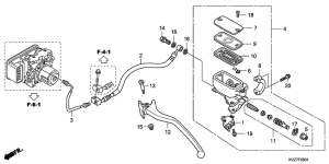
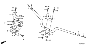
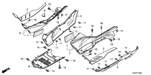
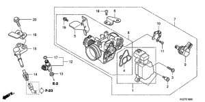
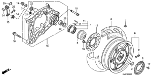
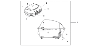
Запчасти для мотоциклов Honda NSS250 (ABS) Forza

Год: 2008  •  Код модели: NSS250A8  •  Объем двигателя: 250
Запчасти для мотоциклов Honda NSS250 (ABS) Forza
Выбирайте узел вашей техники:


{modalWnd}