OEM ЗАПЧАСТИ

  info@automotohub.ru   8 (916) 294-84-77
  О Компании   Оплата и Доставка   Помощь   Обратная связь

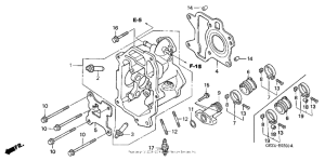
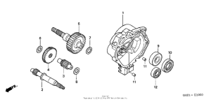
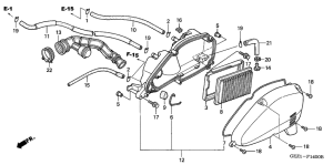
Запчасти для мотоциклов Honda NPS50 Ruckus

Год: 2003  •  Код модели: NPS50 A  •  Объем двигателя: 50
Запчасти для мотоциклов Honda NPS50 Ruckus
Выбирайте узел вашей техники:


{modalWnd}