OEM ЗАПЧАСТИ

  info@automotohub.ru   8 (916) 294-84-77
  О Компании   Оплата и Доставка   Помощь   Обратная связь

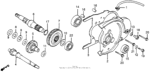
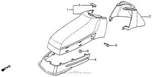
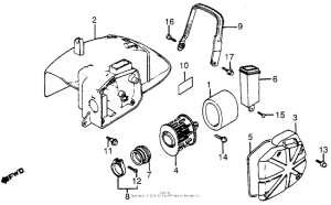
Запчасти для мотоциклов Honda NH125

Год: 1984  •  Код модели: NH125 A  •  Объем двигателя: 125
Запчасти для мотоциклов Honda NH125
{modalWnd}