OEM ЗАПЧАСТИ

  info@automotohub.ru   8 (916) 294-84-77
  О Компании   Оплата и Доставка   Помощь   Обратная связь

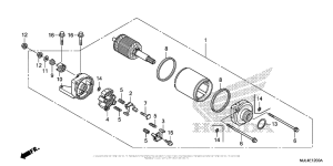
Запчасти для мотоциклов Honda NC700X

Год: 2015  •  Код модели: NC700X A  •  Объем двигателя: 700
Запчасти для мотоциклов Honda NC700X
Выбирайте узел вашей техники:


{modalWnd}