OEM ЗАПЧАСТИ

  info@automotohub.ru   8 (916) 294-84-77
  О Компании   Оплата и Доставка   Помощь   Обратная связь

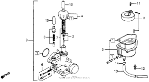
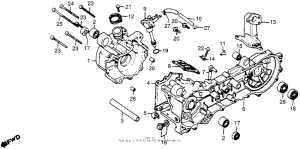
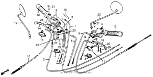
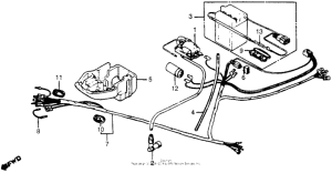
Запчасти для мотоциклов Honda NC50

Год: 1980  •  Код модели: NC50 A  •  Объем двигателя: 50
Запчасти для мотоциклов Honda NC50
{modalWnd}