OEM ЗАПЧАСТИ

  info@automotohub.ru   8 (916) 294-84-77
  О Компании   Оплата и Доставка   Помощь   Обратная связь

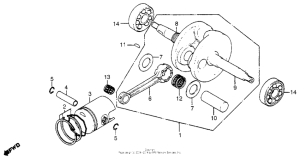
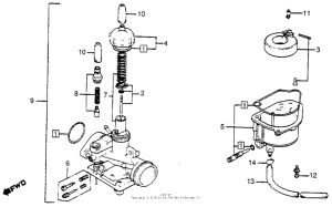
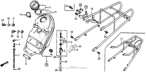
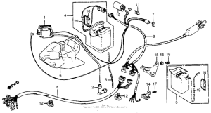
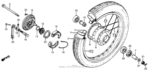
Запчасти для мотоциклов Honda NA50

Год: 1979  •  Код модели: NA50 A  •  Объем двигателя: 50
Запчасти для мотоциклов Honda NA50
{modalWnd}