OEM ЗАПЧАСТИ

  info@automotohub.ru   8 (916) 294-84-77
  О Компании   Оплата и Доставка   Помощь   Обратная связь

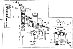
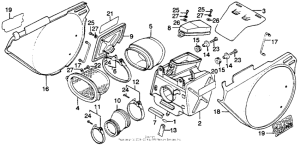
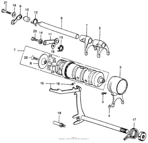
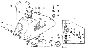
Запчасти для мотоциклов Honda MR250

Год: 1976  •  Код модели: MR250 A  •  Объем двигателя: 250
Запчасти для мотоциклов Honda MR250
{modalWnd}