OEM ЗАПЧАСТИ

  info@automotohub.ru   8 (916) 294-84-77
  О Компании   Оплата и Доставка   Помощь   Обратная связь

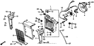
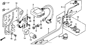
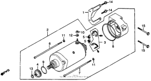
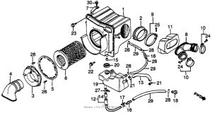
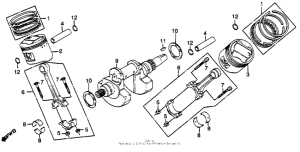
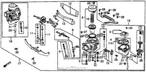
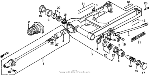
Запчасти для мотоциклов Honda GL650I Silver Wing Interstate

Год: 1983  •  Код модели: GL650I A  •  Объем двигателя: 650
Запчасти для мотоциклов Honda GL650I Silver Wing Interstate
Выбирайте узел вашей техники:


{modalWnd}