OEM ЗАПЧАСТИ

  info@automotohub.ru   8 (916) 294-84-77
  О Компании   Оплата и Доставка   Помощь   Обратная связь

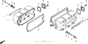
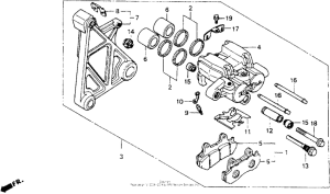
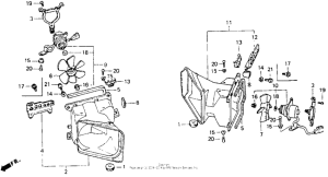
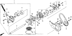
Запчасти для мотоциклов Honda GL1500I Gold Wing Interstate

Год: 1993  •  Код модели: GL1500I A  •  Объем двигателя: 1500
Запчасти для мотоциклов Honda GL1500I Gold Wing Interstate
Выбирайте узел вашей техники:


{modalWnd}