OEM ЗАПЧАСТИ

  info@automotohub.ru   8 (916) 294-84-77
  О Компании   Оплата и Доставка   Помощь   Обратная связь

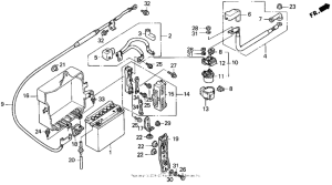
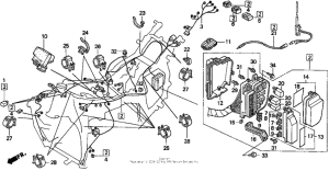
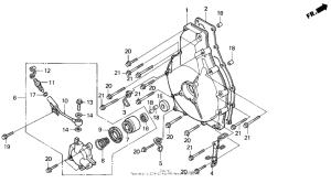
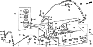
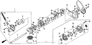
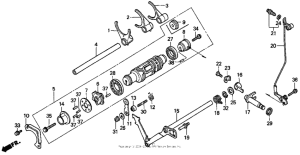
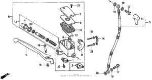
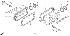
Запчасти для мотоциклов Honda GL1500I Gold Wing Interstate

Год: 1995  •  Код модели: GL1500I AC  •  Объем двигателя: 1500
Запчасти для мотоциклов Honda GL1500I Gold Wing Interstate
Выбирайте узел вашей техники:


{modalWnd}