OEM ЗАПЧАСТИ

  info@automotohub.ru   8 (916) 294-84-77
  О Компании   Оплата и Доставка   Помощь   Обратная связь

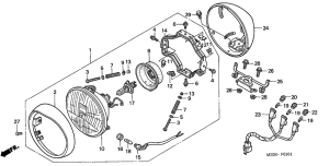
Запчасти для мотоциклов Honda GL1500C F6C

Год: 2001  •  Код модели: GL1500C1  •  Объем двигателя: 1500
Запчасти для мотоциклов Honda GL1500C F6C
Выбирайте узел вашей техники:


{modalWnd}