OEM ЗАПЧАСТИ

  info@automotohub.ru   8 (916) 294-84-77
  О Компании   Оплата и Доставка   Помощь   Обратная связь

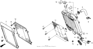
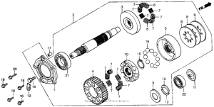
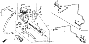
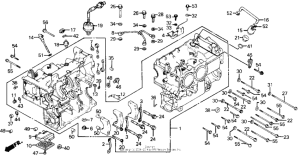
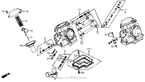
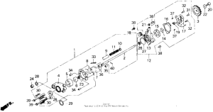
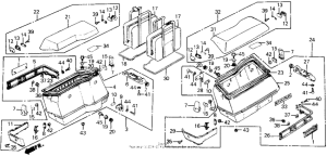
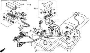
Запчасти для мотоциклов Honda GL1200I Gold Wing Interstate

Год: 1987  •  Код модели: GL1200I A  •  Объем двигателя: 1200
Запчасти для мотоциклов Honda GL1200I Gold Wing Interstate
Выбирайте узел вашей техники:


{modalWnd}