OEM ЗАПЧАСТИ

  info@automotohub.ru   8 (916) 294-84-77
  О Компании   Оплата и Доставка   Помощь   Обратная связь

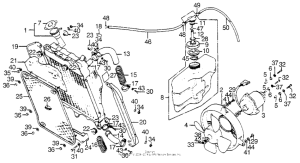
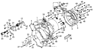
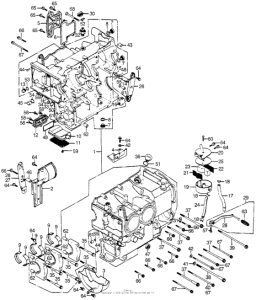
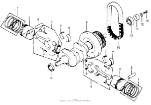
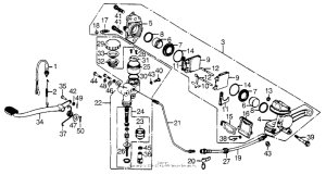
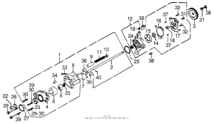
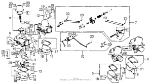
Запчасти для мотоциклов Honda GL1000 Gold Wing

Год: 1977  •  Код модели: GL1000 A  •  Объем двигателя: 1000
Запчасти для мотоциклов Honda GL1000 Gold Wing
{modalWnd}