OEM ЗАПЧАСТИ

  info@automotohub.ru   8 (916) 294-84-77
  О Компании   Оплата и Доставка   Помощь   Обратная связь

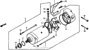
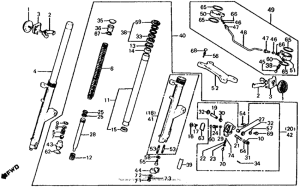
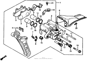
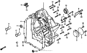
Запчасти для мотоциклов Honda CX650

Год: 1983  •  Код модели: CX650T A  •  Объем двигателя: 650
Запчасти для мотоциклов Honda CX650
Выбирайте узел вашей техники:


{modalWnd}