OEM ЗАПЧАСТИ

  info@automotohub.ru   8 (916) 294-84-77
  О Компании   Оплата и Доставка   Помощь   Обратная связь

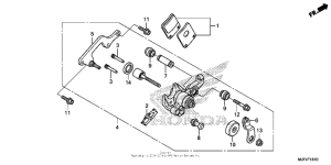
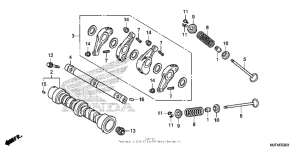
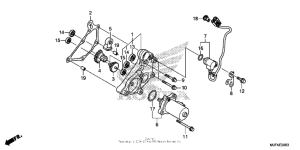
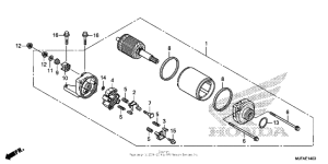
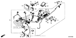
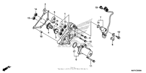
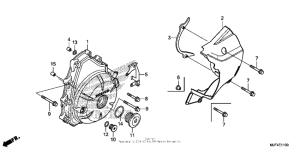
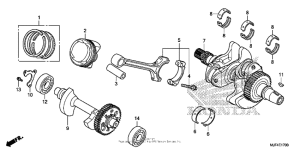
Запчасти для мотоциклов Honda CTX700N DCT

Год: 2014  •  Код модели: CTX700ND A  •  Объем двигателя: 700
Запчасти для мотоциклов Honda CTX700N DCT
Выбирайте узел вашей техники:


{modalWnd}