OEM ЗАПЧАСТИ

  info@automotohub.ru   8 (916) 294-84-77
  О Компании   Оплата и Доставка   Помощь   Обратная связь

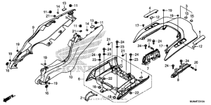
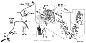
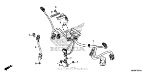
Запчасти для мотоциклов Honda CTX1300 (ABS)

Год: 2014  •  Код модели: CTX1300A AC  •  Объем двигателя: 1300
Запчасти для мотоциклов Honda CTX1300 (ABS)
Выбирайте узел вашей техники:


{modalWnd}