OEM ЗАПЧАСТИ

  info@automotohub.ru   8 (916) 294-84-77
  О Компании   Оплата и Доставка   Помощь   Обратная связь

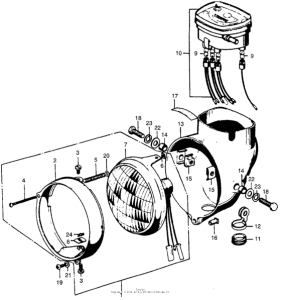
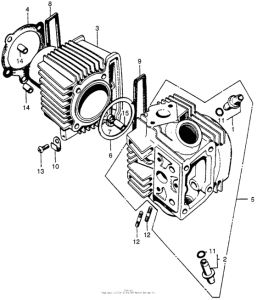
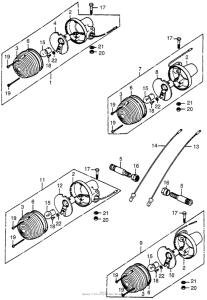
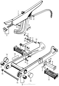
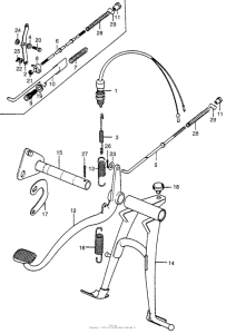
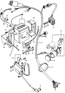
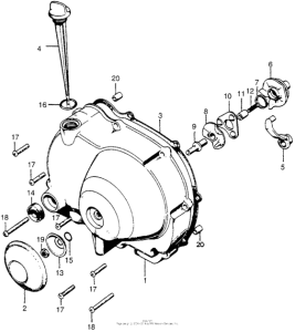
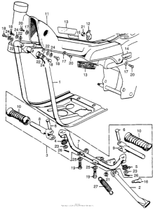
Запчасти для мотоциклов Honda CT90

  •  Код модели: CT90K5 A  •  Объем двигателя: 90
Запчасти для мотоциклов Honda CT90
{modalWnd}