OEM ЗАПЧАСТИ

  info@automotohub.ru   8 (916) 294-84-77
  О Компании   Оплата и Доставка   Помощь   Обратная связь

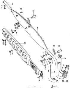
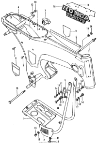
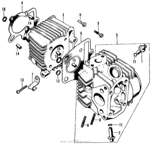
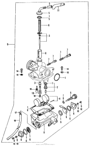
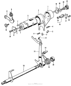
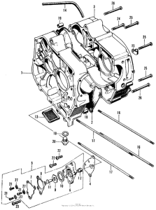
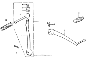
Запчасти для мотоциклов Honda CT70

  •  Код модели: CT70K2 A  •  Объем двигателя: 70
Запчасти для мотоциклов Honda CT70
{modalWnd}